Одноступенчатые червячные мотор-редукторы МЧ-100, МЧ-125, МЧ-160, 1МЧ-160: характеристики, устройство, принцип работы, стоимость. г. Иркутск, Иркутская область

МЧ-100, МЧ-125, МЧ-160, 1МЧ-160
Универсальные червячные одноступенчатые мотор-редукторы серии МЧ-100, МЧ-125, МЧ-160, 1МЧ-160 используются в качестве привода различных станков и машин. Корпуса редукторов изготовлены из чугуна путем литья с последующей механической обработкой. Изготавливаются редуктора в различных модификациях в широком диапазоне передаточных чисел. Базовая конструкция комплектуются односторонним выходным коническим валом (К). По желанию заказчика возможна установка цилиндрического или полого вала. Полый выходной вал может быть шлицевым или со шпоночным пазом, оговаривается при заказе. Серия 1МЧ160 для удобства монтажа имеет съемные лапы.

 

Техническое описание

Условия применения

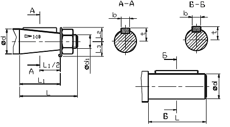
Габаритные и присоединительные размеры

Варианты сборки

Технические характеристики

 

Техническое описание МЧ-100, МЧ-125, МЧ-160, 1МЧ-160

Мотор-редукторы червячные серии МЧ предназначены для понижения угловой скорости и увеличения момента. Серия МЧ имеет три типоразмера: МЧ-100, МЧ-125, МЧ-160. Диапазон передаточных чисел составляет 8 – 80, а мощность электродвигателей от 0,75 до 11 кВт. Корпус редуктора отлит из чугуна и имеет ребра для отвода тепла.

 

УСЛОВИЯ ПРИМЕНЕНИЯ РЕДУКТОРОВ

  • Нагрузка постоянная или изменяемая не превышающая максимальный момент
  • реверс в обе стороны, без изменений рабочих характеристик
  • климатические условия соответствуют ГОСТ 15150-69 (У2, У3, Т2)
  • при использование общепромышленных асинхронных электродвигателей внешняя среда должна быть неагрессивной и невзрывоопасной.

 

Мотор-редукторы МЧ-100, МЧ-125

Внешний вид мотор-редукторов МЧ-100, МЧ-125
Мотор-редукторы МЧ-100, МЧ-125

Мотор-редукторы МЧ-160, 1МЧ-160

Внешний вид мотор-редукторов МЧ-160, 1МЧ-160
Мотор-редукторы МЧ-160, 1МЧ-160

 

Габаритные и присоединительные размеры

Габаритные и присоединительные размеры МЧ-100, МЧ-125

Габаритные и присоединительные размеры МЧ-160, 1МЧ-160

ТИПОРАЗМЕР
H2
H3
H4
L1
L2
В1
В2
В3
В4
d
МЧ-100
312
100
100
240
200
140
175
357
225
19
МЧ-125
396
111
125
275
230
190
230
390
230
19
1МЧ-160
465
140
160
350
300
230
280
441
280
22

ТИПОРАЗМЕР
L3
H1
эл./дв.
АИР90
АИР100
АИР112
АИР132
АИР90
АИР100
АИР112
АИР132
МЧ-100
585
600
-
-
337
337
-
-
МЧ-125
665
680
750
-
410
410
435
-
1МЧ-160
-
760
805
835
-
465
475
500

 

Размеры выходного вала

Размеры выходного вала

Полый выходной вал

ТИП
ВЫХДНЫЕ КОНЦЫ ВАЛОВ
L
L1
L2
L3
b
d
d1
t
m
МЧ-100
Конический
110
82
32
25
12
45
М30х2- 8g
23,45
-
МЧ-125
110
82
38
30
14
55
М36х3 -8g
28,95
-
1МЧ-160
140
105
50
40
18
70
М48х3- 8g
36,38
-
МЧ-100
Цилиндрический
110
-
-
-
14
45
-
48,5
-
МЧ-125
110
-
-
-
16
55
-
59
-
1МЧ-160
140
-
-
-
20
70
-
74,5
-
МЧ-100
Вал полый шлицевой
205
90
57,5
-
-
45
46
-
2
МЧ-125
230
110
60
-
-
55
60
-
2,5
1МЧ-160
275
130
72,5
-
-
70
72
-
2,5

 

Установочное положение

Варианты сборки редукторов и расположения червячной пары

 

Технические характеристики

Номинальная скорость вращения выходного вала об/мин
Радиальная консольная нагрузка, приложенная к центру выходного вала, Н
Крутящий момент на тихоходном валу
Нм
КПД с ПВ, 100%
Габарит двигателя АИР
Мощность электродвигателя,
кВт
Уровень шума, дБА, не более
Масса
кг
Мотор-редуктор МЧ-100
180
5500
270
93
112М4
5,5
80
100
140
350
93
112М4
5,5
100
112
430
92
112М4
5,5
100
90
380
89
100L4
4,0
90
71
350
87
100S4
3,0
84
56
440
87
100S4
3,0
84
45
445
70
100S4
3,0
84
35,5
460
78
90L4
2,2
77
28
580
77
90L4
2,2
77
22,4
472
69
90L6
1,5
77
18
580
69
90L6
1,5
77
14
625
61
90L6
1,5
77
11,4
401
58
90LА8
0,75
77
8,2
506
58
90LА8
0,75
77
Мотор-редуктор МЧ-125
180
8000
270
93
112М4
5,5
80
131
140
350
93
112М4
5,5
131
112
430
92
112М4
5,5
131
90
520
89
112М4
5,5
131
71
650
88
112М4
5,5
131
56
595
87
100L4
4,0
121
45
690
81
100L4
4,0
121
35,5
640
79
100S4
3,0
115
28
580
77
90L4
2,2
108
22,4
715
76
90L4
2,2
108
18
805
69
90L4
2,2
108
14
695
71
90L6
1,5
108
11,4
766
68
90L6
1,5
108
8,2
760
60
90LВ8
1,1
108
Мотор-редуктор 1МЧ-160
180
11000
550
94
132М4
11,0
80
204
140
700
93
132М4
11,0
204
112
870
93
132М4
11,0
204
90
1060
91
132М4
11,0
204
71
1300
88
132М4
11,0
204
56
1630
87
132М4
11,0
204
45
1935
83
132М4
11,0
204
35,5
1615
79
132S4
7,5
204
28
1916
73
132S4
7,5
190
22,4
1663
74
112М4
5,5
163
18
2069
74
112М4
5,5
163
14
1880
70
112МВ6
4,0
163
11,4
1763
66
112МА6
3,0
160
8,2
1638
66
112МА8
2,2
160

 

Двухступенчатые цилиндрические редукторы 1Ц2У-100, 1Ц2У-125, 1Ц2У-160, 1Ц2У-200, 1Ц2У-250

Одноступенчатые цилиндрические редукторы серии ЦУ-100, ЦУ-160, ЦУ-200, ЦУ-250

Двухступенчатые цилиндрические редукторы серии 1Ц2У-315Н, 1Ц2У-355Н, 1Ц2У-400Н, 1Ц2Н-450, 1Ц2Н-500

Трехступенчатые цилиндрические редукторы ЦЗУ-160, ЦЗУ-200, ЦЗУ-250

Одноступенчатые червячные редукторы серии 1Ч-63А

Одноступенчатые червячные редукторы Ч-100, Ч-125, Ч-160

Одноступенчатые червячные редукторы 1Ч-160

Двухступенчатые редукторы Ч2-160

Редукторы червячные одноступенчатые 4Ч-80

Одноступенчатые червячные редукторы Ч-80

Одноступенчатые червячные редукторы 2Ч-40, 2Ч-63, 2Ч-80

Цилиндрические соосные мотор-редукторы MTC A

Цилиндрические соосные мотор-редукторы R (RF)

Двухступенчатые мотор-редукторы 4МЦ2С, 4МЦ2С-63, 4МЦ2С-80, 4МЦ2С-100, 4МЦ2С-125

Цилиндрические мотор-редукторы 1МЦ2С, 1МЦ2С-63, 1МЦ2С-80, 1МЦ2С-100, 1МЦ2С-125

Цилиндрические плоские мотор-редукторы серии F

Мотор-редукторы планетарные тип: 3МП-31,5; 3МП-40; 3МП-50; 3МП-63; 3МП-80; 3МП-100; 3МП-125

Мотор-редукторы планетарные двухступенчатые МПО2М-10, МПО2М-15

Мотор-редукторы планетарные одноступенчатые типа МПО1М-10

Мотор-редукторы планетарные МРВ-02 и МРВ-04

Волновые мотор-редукторы ЗМВз

Цилиндро-конические мотор-редукторы K

 

 
© 2014 Редукторы, мотор-редукторы, устройства плавного пуска, преобразователи частоты