Соосно-цилиндрические мотор-редукторы Motovario (Мотоварио) CH041, CH051, CH061, CH081, CH101, CH121, CH032, CH042, CH052, CH062, CH082, CH102, CH122, CH142, CH033, CH043, CH053, CH063, CH083, CH103, CH123, CH143: характеристики, устройство, принцип работы, цена

Соосно-цилиндрические мотор-редукторы SITI (Сити) MNHL

Соосно-цилиндрические мотор-редукторы Motovario серии CH имеют восемь типоразмеров, одно, двух и трехступенчатое исполнение. Редукторы комплектуются электродвигателями 0,12 - 45 кВт, что позволяет развивать момент в диапазоне 6-8000 Нм. Наличие одной или нескольких ступеней редукции позволяет получить большой ассортимент передаточных чисел в диапазоне от 1,2 до 280. Редуктор имеет прочный чугунный корпус, окрашенный в голубой цвет. Редуктор можно устанавливать на лапы или на опорный фланец. Применяются редукторы во многих отраслях промышленности, где требуется высокая надежность и долговечность.

Передаточное отношение от 1,2 до 280

Крутящий момент от 6 Нм до 8000 Нм

Мощность электродвигателя 0,12 кВт до 45 кВт

Motovario CH - корпус из серого чугуна

 

Motovario (Мотоварио) CH041, CH051, CH061, CH081, CH101, CH121, CH032, CH042, CH052, CH062, CH082, CH102, CH122, CH142, CH033, CH043, CH053, CH063, CH083, CH103, CH123, CH143

Система обозначения мотор-редукторов серии CH

CH
-04
- 2
-U
-31,5
45
-80B4
-0,75
-B3
-B14
ПКК:1
1
2
3
4
5
6
7
8
9
10
11

1 – Серия мотор-редуктора CH

2 – Типоразмер (CH041, CH041, CH051, CH061, CH081, CH101, CH121, CH032, CH042, CH052, CH062, CH082, CH102, CH122, CH142, CH033, CH043, CH053, CH063, CH083, CH103, CH123, CH143)

3 – Количество ступеней (1, 2, 3)

4 – Вариант крепления (U - комбинированное исполнение (лапы+фланец), F - выходной фланец, М - на лапах с нижним расплоложением вала)

5 – Номинальное передаточное отношение редуктора

6 – Число оборотов выходного вала, об/мин

7 – Габарит электродвигателя

8 – Мощность электродвигателя, kW

9 – Монтажное положение (В3, В6, В7, В8, V1, V3, V5, V6)

10 – Тип присоединительного фланца электродвигателя (B5 - большой фланец, B14 – малый фланец)

11 – Положение клемной коробки электродвигателя

Типоразмер

D - выходного вала,мм

CH041
19
CH051
24
CH061
28
CH081
38
CH101
48
CH121
55
CH032
25
CH042
30
CH052
35
CH062
40
CH082
50
CH102
60
CH122
70
CH142
90
CH033
25
CH043
30
CH053
35
CH063
40
CH083
50
CH103
60
CH123
70
CH143
90

Монтажные положения

Вес редукторов серии, кг

 

Выходные обороты и мощность электродвигателей (кВт) pdf.

 

Габаритные и присоединительные размеры

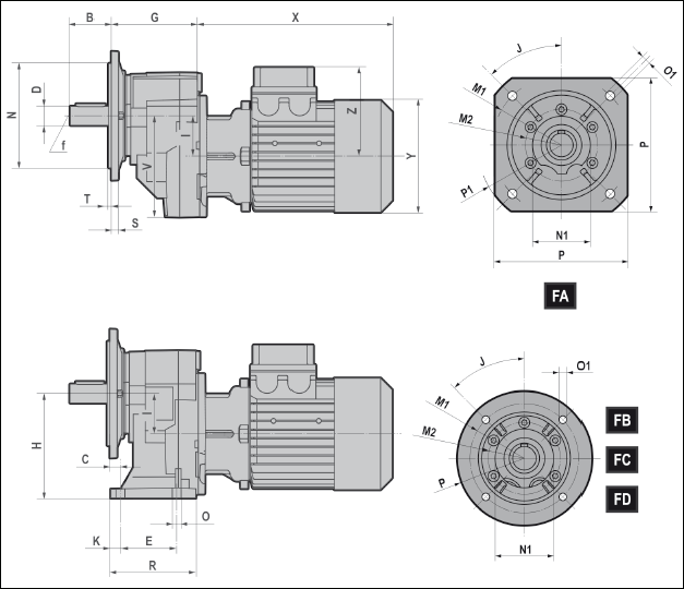
Одноступенчатые мотор-редукторы на лапах CH041, CH051, CH061, CH081, CH101, CH121

Одноступенчатые мотор-редукторы на лапах CH041, CH051, CH061, CH081, CH101, CH121

Редукторы с нижним расположением выходного вала

Редукторы с нижним расположением выходного вала

Редукторы с выходным фланцем

Редукторы с выходным фланцем

B
C
D
E
F
F1
G
H
H1
I
K
M
041
40
13
19 j6
45
168,5
168
100
120
50
42
12
105
051
50
13
24 j6
70
183,5
189
110
130
63
50
12
150
061
60
16
28 j6
70
231
216
125
165
80
60
14
165
081
80
25
38 k6
85
277
284
135
195
100
80
23
185
101
110
19
48 k6
130
355
377
180
252
125
100
17
240
121
110
25
55 m6
150
422
426.5
210
300
160
115
22
280


N
N1
0
Q
Q1
R
R1
S
S1
V~
b
t
f
041
130
125
9
74
55
86.5
98
9.5
8
118
6
21.5
M6
051
178
178
11
100
121.5
106
109
11.5
14
126
8
27
M8
061
195
195
11
110
135.5
120
123
15
16
136
8
31
M10
081
230
232
14
123
151
130
135
15
20
184
10
41
M12
101
295
295
18
162
185.5
173
178
16
22
251.5
14
51.5
M16
121
340
340
18
183
224
202
207
19
25
266.5
16
59
M20

 

J
M1
M2
N
N1
01
P
P1
S
T
041
051
FA
45
165
85
130 f8
70
11
160
200
9
3,5
FB
45
130
85
110 f8
70
9
160
/
9
3,5
FC
45
115
85
95 f8
70
9
140
/
9
3
FD
45
100
85
80 f8
70
M8
120
/
9
3
061
FA
45
215
105
180 f8
90
14
200
250
12
4
FB
45
165
105
130 f8
90
11
200
/
12
3,5
FC
/
/
/
/
/
/
/
/
/
/
081
101
FA
45
265
130
230 f8
110
14
250
300
15
4
FB
45
215
130
180 f8
110
14
250
/
15
4
FC
45
165
130
130 f8
110
11
200
/
15
3,5
121
FA
45
300
165
250 f8
130
18
300
350
16
5
FB
45
265
165
230 f8
130
14
300
/
16
4
FC
45
215
165
180 f8
130
14
250
/
16
4

Назад

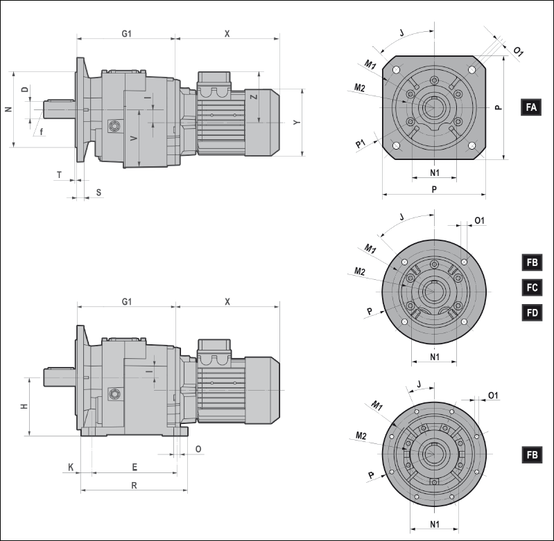
Двух и трехступенчатые мотор-редукторы на лапах CH032, CH042, CH052, CH062, CH082, CH102, CH122, CH142, CH033, CH043, CH053, CH063, CH083, CH103, CH123, CH143

Двух и трехступенчатые мотор-редукторы на лапах CH032, CH042, CH052, CH062, CH082, CH102, CH122, CH142, CH033, CH043, CH053, CH063, CH083, CH103, CH123, CH143

Редукторы с выходным фланцем

Редукторы с выходным фланцем

B
C
D
E
F
G
G1
H
I
K
030
50
25
25 j6
130
169
141
150
90
9.2
15
040
60
30
30 j6
165
189
152
152
115
18
15
050
70
30
35 k6
165
192
187
187
115
25.5
18
060
80
35
40 k6
205
234
236
236
140
31
25
080
100
40
50 k6
260
292
272.5
272.5
180
31
27.5
100
120
40
60 m6
310
364
316
316
225
35.5
27.5
125
140
45
70 m6
370
399
376.5
376.5
250
47.5
35
140
170
50
90 m6
410
490
430
430
315
45
40

M
N
O
Q
R
S
V~
b
t
f
030
110
140
11
60
160
15
92
8
28
M10
040
135
170
14
85
195
15
115
8
33
M10
050
135
185
14
80
201
18
116
10
38
M12
060
170
220
16
100
255
20
140
12
43
M16
080
215
280
18
140
315
25
180
14
53.5
M16
100
250
330
22
159
365
30
227
18
64
M20
125
290
406
26
185.5
440
35
253
20
74.5
M20
140
340
450
26
230
490
35
320
25
95
M20

J
M1
M2
N
N1
O1
P
P1
S
T
030
040
FA
45
ø 165
ø 85
130 f8
70
11
ø 160
ø 200
9
3,5
FB
45
ø 130
ø 85
110 f8
70
9
ø 160
/
9
3,5
FC
45
ø 115
ø 85
95 f8
70
9
ø 140
/
9
3
FD
45
ø 100
ø 85
80 f8
70
M8
ø 120
/
9
3
050
FA
45
ø 215
ø 105
180 f8
90
14
ø 200
ø 250
12
4
FB
45
ø 165
ø 105
130 f8
90
11
ø 200
/
12
3,5
FC
/
/
/
/
/
/
/
/
/
/
060
FA
45
ø 265
ø 130
230 f8
110
14
ø 250
ø 300
15
4
FB
45
ø 215
ø 130
180 f8
110
14
ø 250
/
15
4
FC
45
ø 165
ø 130
130 f8
110
11
ø 200
/
15
3,5
080
FA
45
ø 300
ø 165
250 f8
130
18
ø 300
ø 350
16
5
FB
45
ø 265
ø 165
230 f8
130
14
ø 300
/
16
4
FC
45
ø 215
ø 165
180 f8
130
14
ø 250
/
16
4
100
FA
/
/
/
/
/
/
/
/
/
/
FB
45
ø 300
ø 185
250 f8
150
18
ø 350
/
18
5
FC
45
ø 265
ø 185
230 f8
150
14
ø 300
/
18
4
125
FA
/
/
/
/
/
/
/
/
/
/
FB
45
ø 350
ø 200
300 f8
170
18
ø 400
/
18
5
FC
/
/
/
/
/
/
/
/
/
/
140
FA
/
/
/
/
/
/
/
/
/
/
FB
22,5
ø 400
ø 245
350 f8
210
18
ø 450
/
25
5
FC
45
ø 350
ø 245
300 f8
210
18
ø 400
/
25
5

Назад

Монтажные положения

Монтажные положения и количество масла, заливаемого в мотор-редукторы CH

Положение клемной коробки эл.двигателя

Положение клемной коробки эл.двигателя

Назад

Вес редукторов серии CH, кг

H
PH
030
040
041
050
051
060
061
080
081
100
101
121
125
110
063
8,4
10,9
/
16,0
/
/
/
/
/
/
/
/
/
/
071
8,8
11,3
4,8
16,4
6,7
27,0
/
/
/
/
/
/
/
/
080-090
9,4
11,9
5,4
17,0
7,3
29,1
9,3
49,1
19,3
77,6
/
/
/
/
100-112
13,7
16,2
/
21,3
11,6
31,2
13,6
51,2
21,3
79,9
32,7
/
109,5
/
132
/
/
/
/
/
33,9
/
53,2
23,9
82,7
35,5
36,8
112,3
177,0
160-180
/
/
/
/
/
/
/
60,5
/
88,7
41,5
42,8
118,3
184,9
200
/
/
/
/
/
/
/
/
/
/
/
57,8
133,3
199,1
225
/
/
/
/
/
/
/
/
/
/
/
/
/
200,9

 

 

 
© 2014 Редукторы, мотор-редукторы, устройства плавного пуска, преобразователи частоты