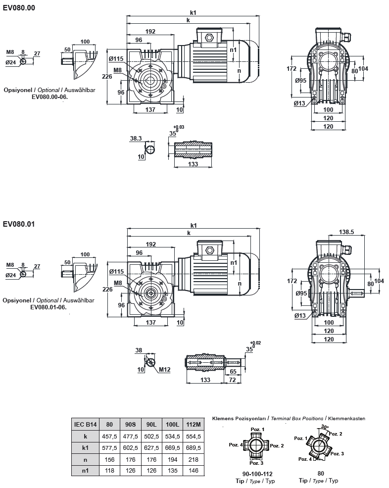
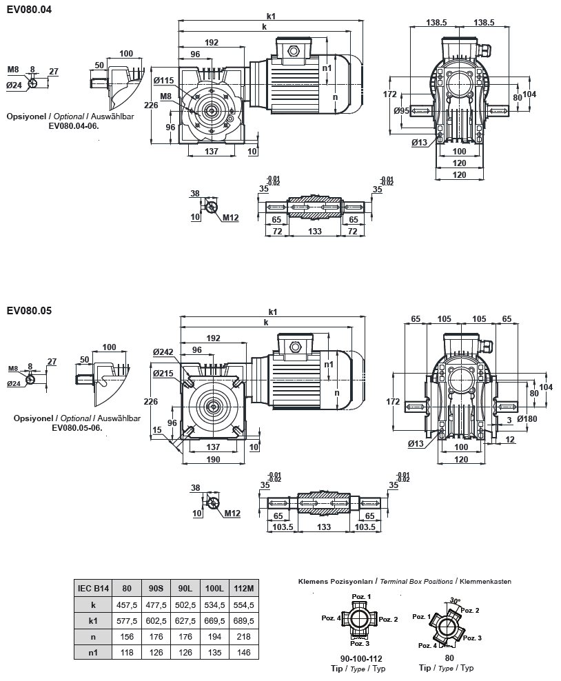
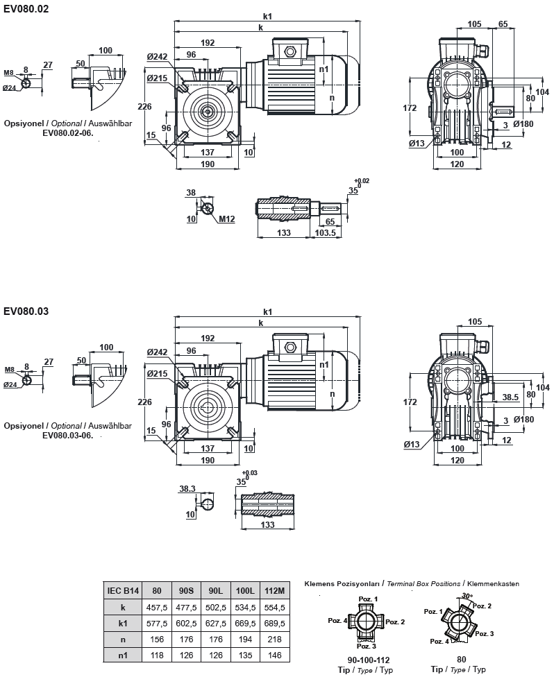
Червячный мотор-редуктор EV080 (EN080)
Назад
Назад
© 2014 Редукторы, мотор-редукторы, устройства плавного пуска, преобразователи частоты