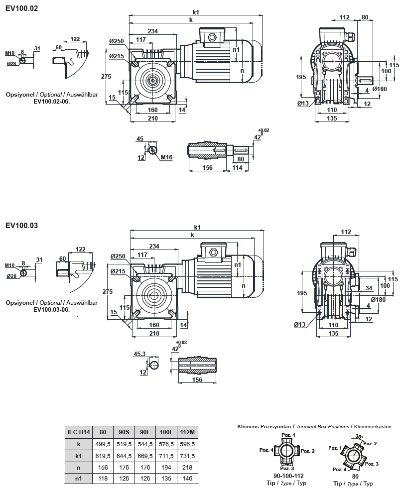
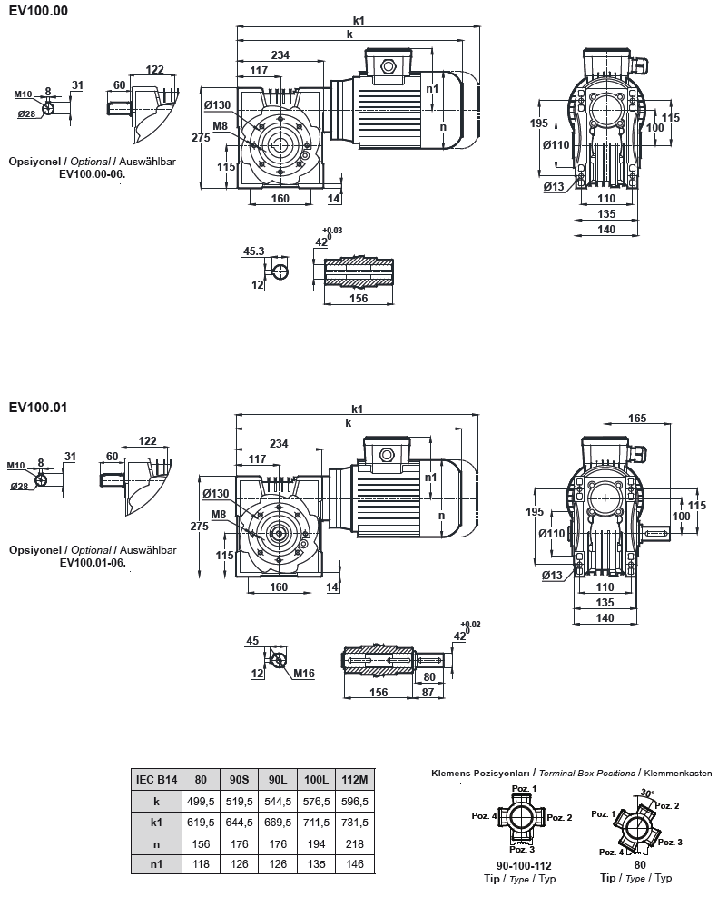
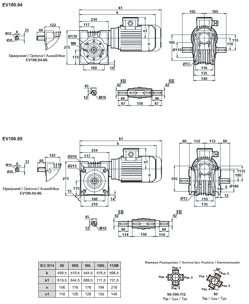
Червячный мотор-редуктор EV100 (EN100)
Назад
Назад
© 2014 Редукторы, мотор-редукторы, устройства плавного пуска, преобразователи частоты