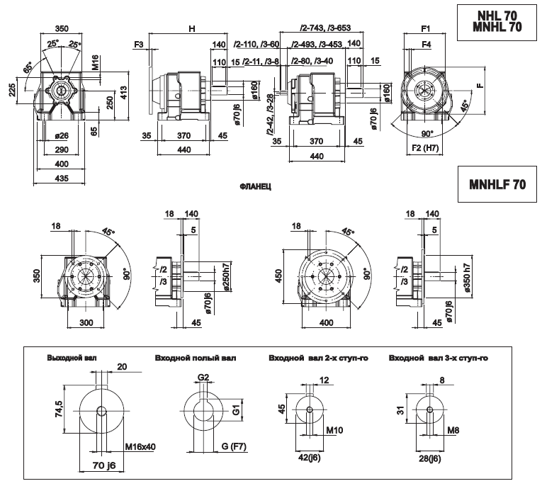
Габаритно-присоединительные размеры MNHL 70

 

Назад

Габаритно-присоединительные размеры MNHL 70


70/2 - 70/3
G
G1
G2
F
F1
F2
F3
F4
Н
/2...132 B5/2F...132 В5
38
41,3
10
300
265
230
25
М12
658
/2...160 B5/2F...160 В5
42
45,3
12
350
300
250
25
17
658
/2...180 B5/2F...180 В5
48
51,8
14
350
300
250
25
17
658
/2...200 B5/2F...200 В5
55
59,3
16
400
350
300
25
18
658
/2...225 B5/2F...225 В5
60
64,4
18
450
400
350
25
18
658
/3...90 В5 /3F...90 В5
24
27,3
8
200
165
130
15
11,5
609
/3(/3F)...100-112 В5
28
31,3
8
250
215
180
15
14
612
/3...132 B5/3F...132 В5
38
41,3
10
300
265
230
15
14
612
/3...160 B5/3F...160 В5
42
45,3
12
350
300
250
19
14
642

Назад

 
© 2014 Редукторы, мотор-редукторы, устройства плавного пуска, преобразователи частоты